TYPENÜBERSICHT Abschließender Hinweis:  Neben Regelungen für Einspritzschaltungen bietet FluCoS auch entsprechende  BB-Box-Regelungen an für:  •	Heiz-/Kühlregister •	hydraulische Weichen, Pufferspeicher und Hydraulikbehälter •	Drosselschaltungen  •	Beimischschaltungen und Bypassschaltungen •	Umlenkschaltungen und Verteilschaltungen

Einspritzschaltungen

Einspritzschaltung mit 2-Wege-Durchgangsventil
Einspritzschaltung mit 3-Wege-Verteilventil
Varianten
Einspritzschaltung mit 2-Wege-Durchgangsventil Einspritzschaltungen kommen bei Anlagenteilen zur Anwendung, die räumlich weit entfernt vom Energieerzeuger angeordnet sind. Hierzu zählen beispielsweise Lüftungsanlagen auf Dächern oder Luftkühler ohne geregelte Entfeuchtung. Je nach Stellung des Durchgangventils wird aus dem Primärkreis heißes Vorlaufwasser in den Verbraucherkreis eingespritzt. Gleichzeitig sinkt der Volumenstrom über den Bypass um die eingespritzte Menge. lm Gegensatz zur Drosselschaltung ist bei dieser Schaltung dadurch die Wassermenge im Sekundärsystem (beim Verbraucher) mengenkonstant, jedoch ändert sich mit der eingespritzten Menge das Temperaturniveau des Vorlaufmediums. lm Primärkreissystem (beim Erzeuger) ergeben sich dagegen erhebliche Änderungen von Volumenstrom und Druck sowie Rücklauftemperatur. Dies ist bei Einbindung mehrerer Heizgruppen in ein System/Fluidnetz zu berücksichtigen. Eigenschaften: Volumenstrom variabel über Erzeuger Volumenstrom konstant über dem Verbraucher Unterschiedliche Temperaturniveaus für die Primär- und Sekundärseite Rücklauftemperatur tief (Verbraucher-Rücklauf) Gleichmäßige Temperaturverteilung über dem Wärmeverbraucher Geringe Einfriergefahr bei Luftheizregistern Bei geschlossenem Ventil kann die Pumpe im Erzeugerkreis überhitzen Zur Dimensionierung des Regelventils muss der Differenzdruck über den Verteiler bekannt sein (Differenzdruck über das Ventil > Differenzdruck über den Verteiler) Anwendung: Optimal für druckgeregelte Verteiler mit drehzahlgeregelten Pumpen (sehr ökonomisch) Optimal geeignet für Heizkörper-, Deckenstrahlplatten und Lufterhitzersysteme Optimal geeignet für Niedertemperaturheizungen, Decken- o. Fußbodenheizung/ -temperierung/-kühlung sowie Betonkernaktivierung Optimal geeignet für RLT-Luftheizregister. ACHTUNG: Diese Schaltung ist anzuwenden bei einer Distanz von mehr als 10m von 2-Wege-Ventil zum Luftheizregister Optimal geeignet für direkte Fernheizungs- und Nahwärmeanschlüsse Optimal geeignet für Niedertemperatur-Kesselanlagen und Brennwertgeräte Optimal geeignet für saisonale Wärmespeicher und Wärmepumpen Eingeschränkt geeignet für Boilerladungen und Warmwasserbereitung, denn bei hartem Kaltwasser wird zusätzlich eine Vorlauftemperatur- Maximalbegrenzung erforderlich oder eine Rücklauftemperatur-Maxima|- begrenzung erforderlich - Nicht geeignet für Luftkühler mit Entfeuchtungsregelung. Dafür besser geeignet ist die Drosselschaltung, damit sind tiefere Taupunkt- temperaturen erreichbar Vorteile: Sehr gute Regelbarkeit bei Einsatz von 2-Wege-Durchgangsventilen mit integriertem Differenzdruckregler in einer druckbehafteten Verteilung Optimal für Systeme mit niedrigen/tiefen Rücklauftemperaturen und hoher Spreizung (Fernwärme, Nahwärme, Brennwertgeräte, Wärmepumpen und KWK- Anlagen) geeignet Nachteile: Für die Dimensionierung des Regelventils muß entweder der Differenzdruck bekannt sein oder Einsatz von 2-Wege-Durchgangsventilen mit integriertem Differenzdruckregler in einer druckbehafteten Verteilung (siehe Schema oben rechts) Einsatz von zwei U-Pumpen (je eine im Primär- und im Sekundärkreis) erforderlich Hinweise zu Lieferumfang, Montage, Inbetriebnahme und Bedienung finden Sie hier.. . Regelung: - BB-Box-ES-H bei Wärmeübertragung/ Heizung - BB-Box-ES-K bei Kälteübertragung / Kühlung
FluCoS GmbH&CoKG - BB-Box-ES-H-001 bei Wärmeübertragung / Heizung FluCoS GmbH&CoKG - BB-Box-ES-K-001 bei Kälteübertragung / Kühlung
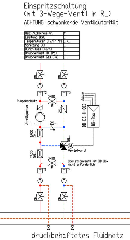
Einspritzschaltung mit 3-Wege-Verteilventil
Bei dieser hydraulischen Schaltung sind die Volumenströme im Primärkreis und im Sekundärkreis mengenkonstant. Die Pumpe im Erzeugerkreis sorgt für den Druck im Erzeugerkreis, inklusive dem Druckabfall über dem Stellglied. Die Pumpe im Verbraucherkreis sorgt für den Druck im Verbraucherkreis. Die Erzeugerpumpe spritzt je nach Stellung des 3-Wege-Ventils mehr oder weniger heißes Vorlauffluid in den Verbraucherkreis ein. Dieses wird mit abgekühltem Verbraucher-Rücklauffluid gemischt, welches von der Verbraucherpumpe über den Bypass angesaugt wird. lm Verbraucherkreis entsteht ein konstanter Volumenstrom mit variabler Temperatur. Eigenschaften Ohne Wärmeabnahme hohe Rücklauftemperatur (zwischen Verbraucher-Rücklauf- und annähernd Erzeuger-Vorlauftemperatur) Konstanter Durchfluss im Erzeuger- und Verbraucherkreis Unterschiedliche Temperaturen im Primär- und Sekundärkreislauf Geringe bzw. fast gar keine Totzeit bis zur Bereitstellung von heißem Wasser Ventilautorität von fast 1 Hauptpumpe muss beim Einsatz von Verteilschaltungen (Umlenkschaltungen) auch den Druckverlust über den Verbraucher übernehmen Hydraulischer Abgleich ist anspruchsvoll Spätere Erweiterung macht erneuten hydraulischen Abgleich erforderlich Geringe Einfriergefahr bei Luftheizregister Anwendung Geeignet für druckbehaftete Verteiler mit starren Pumpen (nicht ökonomisch) Geeignet für Luftheizregister bei unbekanntem Differenzdruck
FluCoS GmbH&CoKG - BB-Box-ES-H-001 bei Wärmeübertragung / Heizung FluCoS GmbH&CoKG - BB-Box-ES-K-001 bei Kälteübertragung / Kühlung
Optimal geeignet für Heizkörper-, Deckenstrahlplatten und Lufterhitzersysteme Optimal geeignet für Niedertemperaturheizungen, Decken- o. Fußbodenheizung/ -temperierung/-kühlung sowie Betonkernaktivierung Optimal geeignet für direkte Fernheizungs- und Nahwärmeanschlüsse Optimal geeignet für Niedertemperatur-Kesselanlagen und Brennwertgeräte Optimal geeignet für saisonale Wärmespeicher und Wärmepumpen Geeignet für Boilerladung und Warmwasserbereitung Geeignet für Luftheizregister mit Einfriergefahr bei Distanz von mehr als 10m von Ventil-Bypass zum Luftheizregister Geeignet für Luftkühler ohne geregelte Taupunktentfeuchtung Nicht geeignet für Luftkühler mit geregelter Taupunktentfeuchtung
Vorteile Die Vorteile dieser Schaltung liegen in der geringen oder ganz vermiedenen Totzeit, da permanent heißes Wasser am Regelventil-Bypass zur Verfügung steht, dadurch optimal geeignet für Luftheizregister Ventilautorität von fast 1 (da in der mengenvariablen Strecke ist fast kein Widerstand vorhanden ist) Dadurch und durch den konstanten Volumenstrom ergibt sich sekundärseitig eine sehr gute Regelbarkeit. Optimal für Systeme mit niedrigen/tiefen Rücklauftemperaturen und hoher Spreizung (Fernwärme, Nahwärme, Brennwertgeräte, Wärmepumpen und KWK- Anlagen) geeignet Nachteile Für die Dimensionierung des Regelventils muß der Differenzdruck bekannt sein Einsatz von zwei U-Pumpen (je eine im Primär- und im Sekundärkreis) erforderlich Hinweise zu Lieferumfang, Montage, Inbetriebnahme und Bedienung finden Sie hier.. . Regelung - BB-Box-ES-H bei Wärmeübertragung/ Heizung - BB-Box-ES-K bei Kälteübertragung / Kühlung
Diese Zeichnung unterliegt samt Inhalt dem Schutz des Urheberrechts sowie der Pflicht zur vertraulichen Behandlung und darf nur mit Zustimmung der FluCoS GmbH & Co. KG genutzt, vervielfältigt, Dritten zugängig gemacht oder in anderer Weise verwendet werden.
Die Texte als Ausschreibungstexte im PDF und TXT Format finden Sie hier:
Diese Zeichnung unterliegt samt Inhalt dem Schutz des Urheberrechts sowie der Pflicht zur vertraulichen Behandlung und darf nur mit Zustimmung der FluCoS GmbH & Co. KG genutzt, vervielfältigt, Dritten zugängig gemacht oder in anderer Weise verwendet werden.
Die Texte als Ausschreibungstexte im PDF und TXT Format finden Sie hier:
TYPENÜBERSICHT Abschließender Hinweis:  Neben Regelungen für Einspritzschaltungen bietet FluCoS auch entsprechende  BB-Box-Regelungen an für:  •	Heiz-/Kühlregister •	hydraulische Weichen, Pufferspeicher und Hydraulikbehälter •	Drosselschaltungen und Einspritzschaltungen •	Beimischschaltungen und Bypassschaltungen •	Umlenkschaltungen und Verteilschaltungen

Anschrift

FluCoS GmbH & Co. KG Hauptstraße 24 D-97941 Tauberbischofsheim

Internet / E-Mail

www. flucos.de info@flucos.de

Telefon

Tel.: 09341 - 89 69 554 Fax: 09341 - 89 69 552
Aktuell mit 30% BAFA-Förderung  für hydraulischen Abgleich von  Heiz-und Kühlanlagen